Seatbelt Buzzer Stays On: Start Car with Seatbelt on and No Issue ... Thumb
Wiring Diagram Seat Belt Reminder - WIRING DIAGRAM COMPONENT LOCATIONS. When trying to locate a component in a wiring diagram and you don't know the specific system where it is located, use this handy component locator to find the system wiring diagram in which the component is located.. HOW TO USE SYSTEM WIRING DIAGRAMS Article Text (p. 4) 1996 Mazda Miata For Yorba Linda Miata Copyright © 1998 Mitchell Repair Information Company, LLC. View and Download Volvo XC90 wiring diagram online. 2010. XC90 Automobile pdf manual download. Also for: 2010 xc90..LIST OF HARNESSES : 01 CBP battery positive cable. 02 CBN battery negative cable. 03 CB/AV connecting cable, front batteries. 04 CB/CE connecting cable, batteries to electronic unit.. Helpful information and resources on John Deere tractors from SSB Tractor, a leading provider of tractor parts, manuals, implements and toys. Below you can find the service manual for the Volvo 240 and Volvo 260. These service manuals will help you to repair your 240 or 260, fix some small things, service.
This is a partial text extraction from the pdf, to download the pdf, click the Manual tab. If you want to search this text, hold control and F, and type the word you are looking for.. This is a partial text extraction from the pdf, to download the pdf, click the Manual tab. If you want to search this text, hold control and F, and type the word you are looking for.. The ultimate Volvo 740, 760 and 780 buyers guide. If you're planning to purchase a Volvo 700-series car, you should check this page!.
2012 Street Glide Fuse Box Location
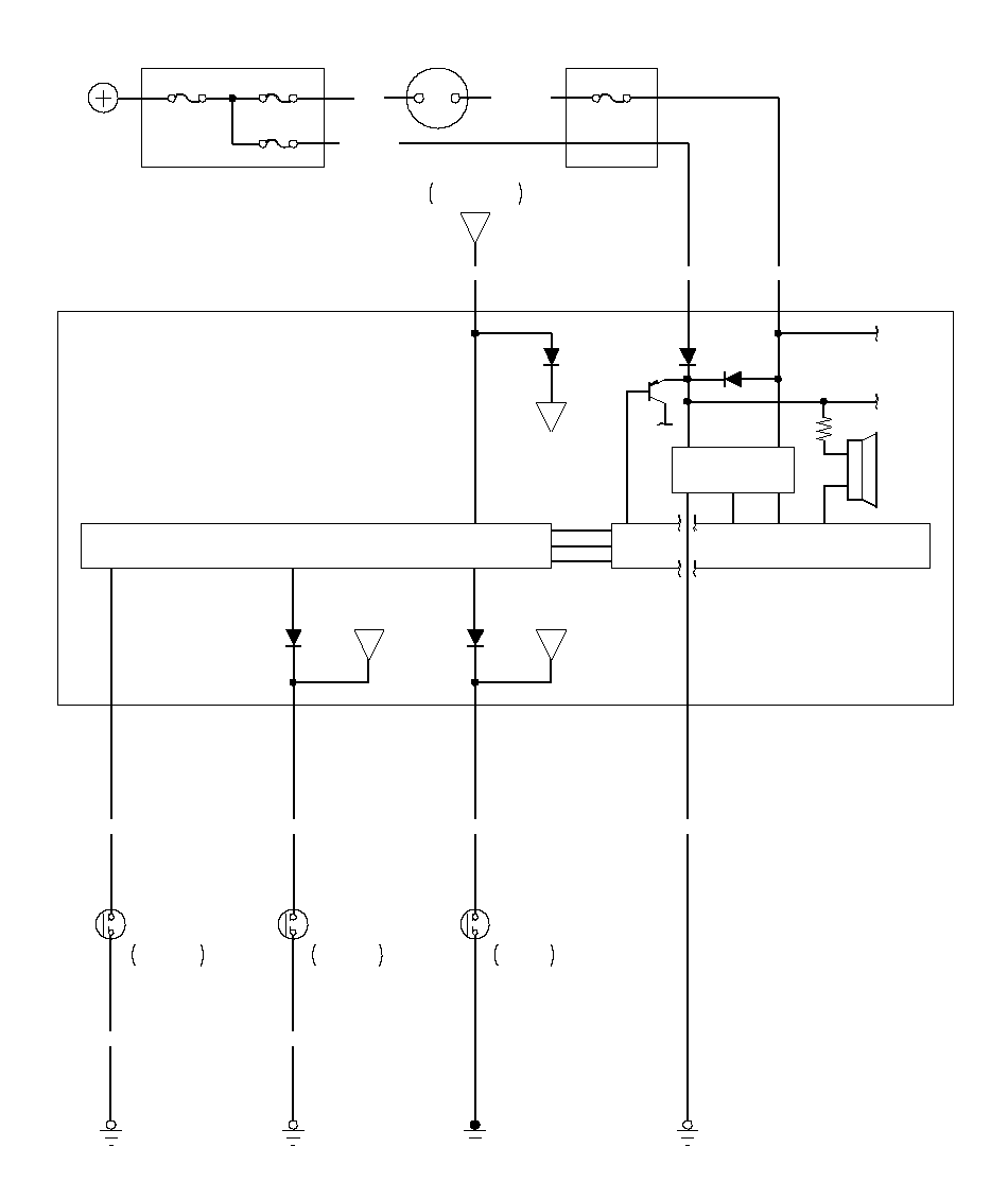
Toyota Workshop Manuals > Tacoma 2WD L4-2.4L (2RZ-FE) (1996 ... Restraint Systems > Seat Belt Systems > Seat Belt Reminder Buzzer > Component Information > Diagrams > Diagram Information and Instructions
Toyota Workshop Manuals > Tacoma 2WD L4-2.4L (2RZ-FE) (1996 ... Restraint Systems > Seat Belt Systems > Seat Belt Reminder Buzzer > Component Information > Diagrams > Diagram Information and Instructions
2013 Can Am Maverick X Rs 1000r Wiring Diagram
seat Belt Buzzer Wont shut off ... http://triumphspitfire.com/images/wiring/78diagram.jpg
seat Belt Buzzer Wont shut off ... http://triumphspitfire.com/images/wiring/78diagram.jpg
2012 Volkswagen Passat Service Manual
Passenger Seat Belt Warning Sign | Inspira / Lancer Mod Guide The Hazard light with Passenger seat belt warning sign.
Passenger Seat Belt Warning Sign | Inspira / Lancer Mod Guide The Hazard light with Passenger seat belt warning sign.
2013 Can Am Outlander Renegade Atv Factory Service Manual
Key-in, Lights-on, Seat Belt Reminder System Circuit Diagram G401G501IGNITIONKEYClosed : KeyinsertedDoor openClosed :DOORDRIVER'S21BLKSWITCHSWITCHSWITCHDRIVER'SSEAT BELTunbuckled12BLKClosed : BeltNo.9 (10A) ...
Key-in, Lights-on, Seat Belt Reminder System Circuit Diagram G401G501IGNITIONKEYClosed : KeyinsertedDoor openClosed :DOORDRIVER'S21BLKSWITCHSWITCHSWITCHDRIVER'SSEAT BELTunbuckled12BLKClosed : BeltNo.9 (10A) ...
Securely Verified