Polaris VALVE EXHAUST 0451914 New OEM | eBay 2006 FST SWITCHBACK
Polaris Fst Iq Touring 2007 Workshop Service Manual - Polaris Fs / Fst Snowmobile Service Manual Repair 2006-2008 4-strokes DOWNLOAD HERE. Instant download of the factory repair manual for 2006-2008 Polaris FS and FST 4-stroke snowmobiles.. fst iq touring - iq cruiser Mon, 18 Feb 2019 21:22:00 GMT POLARIS Download 2006 Workshop Service Repair Manual - Polaris Fs Fst 2006 2007 2008 Workshop Service Manual User 2019 This is to find out the quality of the editor (the procedure for implementing sentences) in the Polaris Fs Fst 2006 2007 2008 Workshop Service Manual User 2019. Fri, 15 Feb 2019 23:34:00 GMT. Instant Download . Complete 2007 Polaris Two-Stroke Snowmobile Service Repair Workshop Manual. Go ahead to take this service manual.Any questions please write to me..2006-2008 Polaris FS FST Snowmobile Service Repair Workshop Manual DOWNLOAD (2006 2007 2008) INSTANT DOWNLOAD Original Factory 2006-2008 Polaris FS FST Snowmobile Service Repair Manual. snowtravelers.org. 2006-2008 Polaris FS FST SnowmobileService Repair Workshop ManualDOWNLOAD (2006 2007 2008)INSTANT DOWNLOADOriginal Factory 2006-2008 Polaris FS FST Snowmobile.
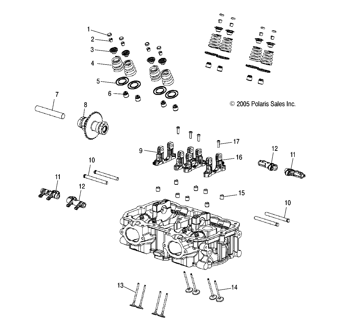
polaris fs fst snowmobile workshop service repair manual download 2006 2007 2008 service repair manual is oem for the 2006 2008 polaris fs fst snowmobile . Polaris snowmobile 2006 2008 iq fs fst repair manual, 337 pages in total covers years 2006 2008 fs classic, fst classic, fs touring, fst touring, fst switchback, fst iq, fs iq touring, iq turbo dragon, iq turbo lx . Polaris snowmobile fs. 2006-2008 Polaris FS FST Snowmobile Service Repair Workshop Manual DOWNLOAD (2006 2007 2008) FST Snowmobile Service Repair Manual is a Complete Informational Book. This Service Manual has easy-to-read text sections with top quality diagrams and instructions.. 2007-2008 Polaris IQ Snowmobile Workshop Service Repair Manual Download 2007 2008 This is the Most Practical Service Repair Manual for the 2007-2008 Polaris IQ Snowmobile Workshop Service Repair Manual Download ever compiled by mankind..
EAGLEGRANIT.COM The Great Ebook Library and Manual References Most Complete Polaris Fst Iq Lx 2007 Workshop Service Manual SuperPDF 2019 Polaris Fst Iq Lx 2007 Workshop Service Manual SuperPDF 2019 is big ebook you need..
2009 Yamaha Rhino 450 Wiring Diagram
WRG-8679] 1997 Polaris Xcr 600 Service Manual | 2019 Ebook Library 2007-2016 Polaris IQ Snowmobile Service Manual
WRG-8679] 1997 Polaris Xcr 600 Service Manual | 2019 Ebook Library 2007-2016 Polaris IQ Snowmobile Service Manual
2009 Yamaha 70 Hp Outboard Service Repair Manuals
Polaris KITLCA FUSION SVC LH BLK 2203021-067 New OEM | eBay 2007 FST IQ LX
Polaris KITLCA FUSION SVC LH BLK 2203021-067 New OEM | eBay 2007 FST IQ LX
2009 Nissan Murano Fuse Box
Polaris FS FST Turbo IQ Snowmobile Service Manual 2006-2014 Polaris FS FST Turbo IQ Snowmobile Service Manual ...
Polaris FS FST Turbo IQ Snowmobile Service Manual 2006-2014 Polaris FS FST Turbo IQ Snowmobile Service Manual ...
2009 Trailblazer Fuse Box Diagram
Polaris Block Throttle Brake 5431592 New OEM | eBay If you don't see your model listed, please visit Polaris.com to search for the correct schematic.
Polaris Block Throttle Brake 5431592 New OEM | eBay If you don't see your model listed, please visit Polaris.com to search for the correct schematic.
Securely Verified