Polaris IQR 440-600HO Conversion Notes JETTING INFO: 600HO Jetting Chart ...
Polaris 600 Rmk Shift 2009 Wiring Diagram - Nov 25, 2012 · For the MY08up models, (except the MY08 Turbo Switchback) there has been a change in the names of the parts diagrams in PartSmart and the Polaris Online Parts Catalog. As an example, the diagram that was called -AIR INTAKE SYSTEM for the MY06, MY07 and MY08SB sleds, is called -ENGINE, AIR INTAKE SYSTEM for a MY09 sled.. Jul 02, 2014 · The Service Manual has a section on "Electrical" and that's where you'll find the wiring diagram. Pirate . Save Share. Reply. I have a 2013 Polaris rzr 800s with around 2800 miles. My problem is when it gets to about 170 degrees it sounds like it runs on one cylinder. I have replaced the coil and spark plugs and still no difference.. 2009 Polaris Trail Blazer 330 Stator $214.99 2009-2010 Polaris Sportsman 800 EFI 6x6 Stator $214.99 2009-2011 Polaris Sportsman 800 Touring EFI 6x6 Stator $149.99 2009-2013 Polaris 550 IQ Shift Stator $174.99 2009-2014 Polaris Sportsman 550 Stator $194.99 2009-2015 Polaris 600 IQ RMK HO Rush Stator $174.99 2009-2016 Polaris Sportsman 850 Stator.Wiring Diagrams. 2007-2013 Polaris IQ Snowmobile Service Manual Index of Topics. A AC Power (Lighting) RMK Shift Regulator/Rectifier 1132 Carburetor Fuel Systems Mikuni (Long) Pilot Air Jets 45 2009 – 2010 IQ 121 / Switchback 566 600 Widetrak Bypass Circuit 568 600 Widetrak Tunnel Circuit 568 800 CFI Thermostats 560. shop polaris snowmobile master repair manual volume III 3. Searches: * polaris gt lite snowmobile loss of power * polaris 440 manual 1998 * 1996 polaris xlt clutch noise * 1996 polaris snowmobile wiring diagram * Polaris snowmobile manual 1996 * polaris snowmobile service manual * polaris rxl 1996 snowmobile wire diagram. Quantum Fuel Pressure Regulator for Polaris 600 IQ Shift 2009-2012, Replaces 2521048 Description: HFP replacement fuel pumps, modules, assemblies, and kit components are designed to meet or exceed OEM specifications, and feature upgrades that improve on the OEM design..
Feb 01, 2015 · Is there wiring diagram available for Sportsman 500? I'm having some issues with the headlights and would like to get those fixed. Is the "right" manual 2009 or 2012 as there is no 2010? Save Share. Reply. Not sure if polaris changed wiring much. Try the 09 maanual. Save Share. Reply.. Jan 26, 2007 · Heated shield wiring? Posted by bruceking on Friday, January 26, 2007 2:35 PM I have a friend that has a 01 XC 600 Edge X and needs to wire in a Polaris heated shield. It only has a hot and a ground. Shouldn't be that big of a deal but said he can not find a hot to splice into. Any body know where to find a power source?. Polaris OEM Parts. Polaris Original Equipment Manufacturer Parts at GenuinePolarisParts.com. WE KNOW TIME IS IMPORTANT. GenuinePolarisParts.com is an authorized Polaris parts and accessories re-seller. While we keep thousands of parts on-hand at our warehouse, there are over thousands more that we offer. Due to the amount of inventory that.
About Polaris Parts House We're the source for any Polaris Parts you may need - Covers, Accessories, or any Replacement Parts! Polaris Parts House is owned and operated by Babbitt's Online.This site is dedicated to selling OEM Polaris ATV parts, snowmobile parts, Ranger parts and RZR parts.. Jan 11, 2010 · 02 Magnum 500 RMK If it ain't broke, I can't afford it! I've seen this often, need to check the switch on the transmission(or shifter). The shifter switch is a switch that tells you if its in Neutral or Reverse or Forward, well it tells the bike not really you but it does have an indicator on the dash. not mechanical. Depending on your. 2009 Polaris Prices, Values and Specs Select any 2009 Polaris model. Indy 600 IQ Shift 136" Indy 600 Switchback Indy 700 RMK 155" Indy 800 Indy 800 RMK 144" Indy 600 Shift RMK 155" Indy 800 Assault RMK146 Indy 800 Dragon RMK 155".
Download a repair manual for 2009 thru 2010 Polaris 550, 600, 700, 800 IQ snowmobile instantly! A downloadable snowmobile repair manual, also termed factory service manual, is a digitally delivered book of repair instructions that describes the maintenance,. 550 IQ Shift ES 550 Shift 136 550 Shift 136 ES 550 IQ LXT . WARNING Read, understand, and follow all of the in structions and safety precautions in For your nearest Polaris dealer, call 1-800-POLARIS or visit www.polarisindustries.com Polaris Sales Inc., 2100 Hwy. 55, Medina, MN 55340 2012 550 IQ SHIFT/ES, 550 SHIFT 136/ES, 550 IQ LXT.
03 Oldsmobile Alero Air Conditioning Wiring Diagram
Speed Pickup Sensor - IQ 600 FS TURBO 700 FST 800 RANGER 900 550 HS ... Details about Speed Pickup Sensor - IQ 600 FS TURBO 700 FST 800 RANGER 900 550 HS DRAGON - OEM
Speed Pickup Sensor - IQ 600 FS TURBO 700 FST 800 RANGER 900 550 HS ... Details about Speed Pickup Sensor - IQ 600 FS TURBO 700 FST 800 RANGER 900 550 HS DRAGON - OEM
04 Infiniti Qx56 Fuse Box
Sylvania ZEVO Brake Light Bulb for Polaris 800 RMK SP 144 600 Dragon ... Sylvania LED Image 2
Sylvania ZEVO Brake Light Bulb for Polaris 800 RMK SP 144 600 Dragon ... Sylvania LED Image 2
03 Infiniti G35 Fuse Box
WRG-7488] 600 RMK 144 2011 Fuse Box Diagram 600 iq shift 2009 fuse box diagram wiring library9100i international truck fuse box diagram wiring schematic Polaris ...
WRG-7488] 600 RMK 144 2011 Fuse Box Diagram 600 iq shift 2009 fuse box diagram wiring library9100i international truck fuse box diagram wiring schematic Polaris ...
03 Ford Explorer Sport Fuse Box
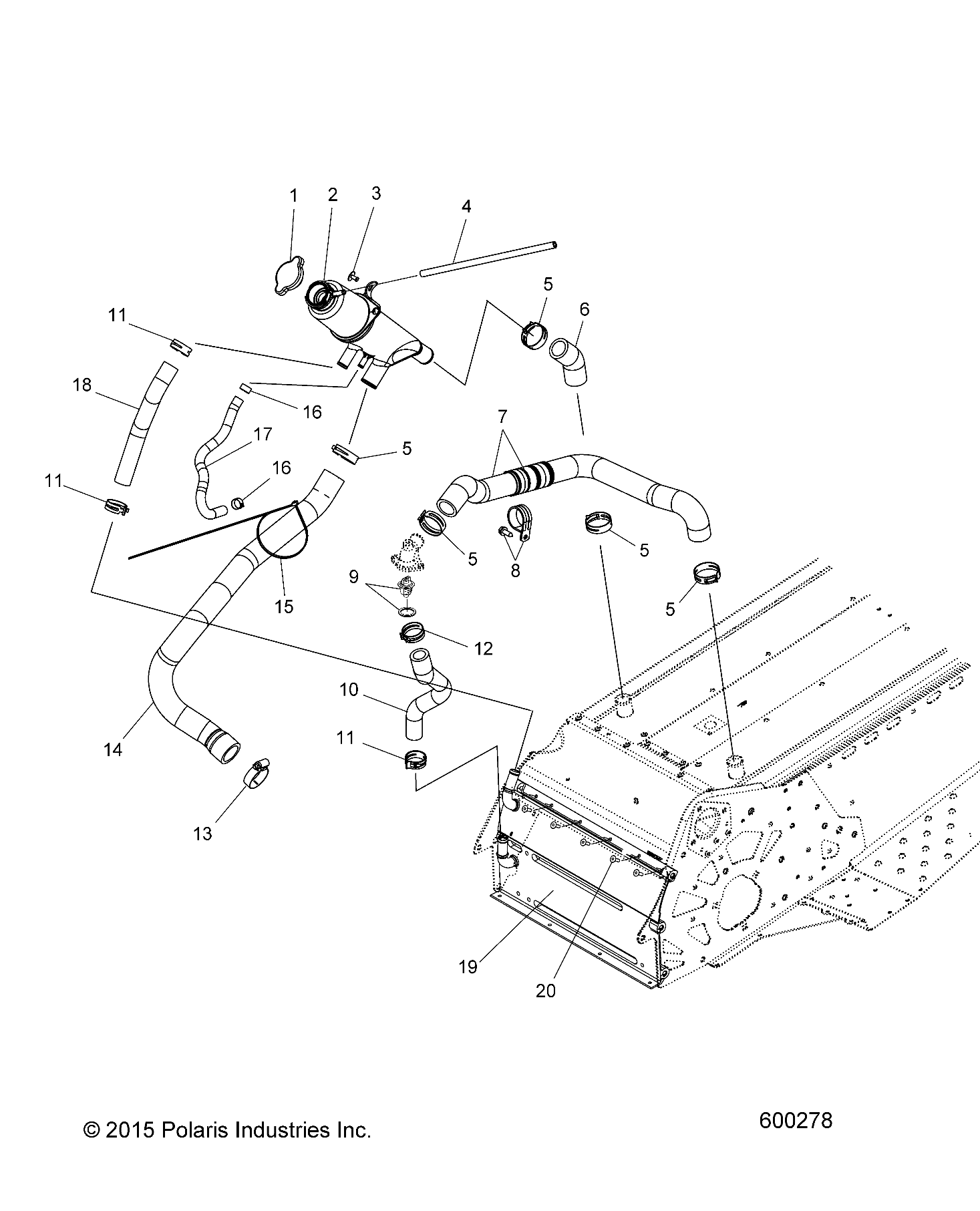
Polaris THERMOSTAT 120 DEGREE 7052433 New OEM | eBay 2008 IQ SHIFT EURO
Polaris THERMOSTAT 120 DEGREE 7052433 New OEM | eBay 2008 IQ SHIFT EURO
Securely Verified