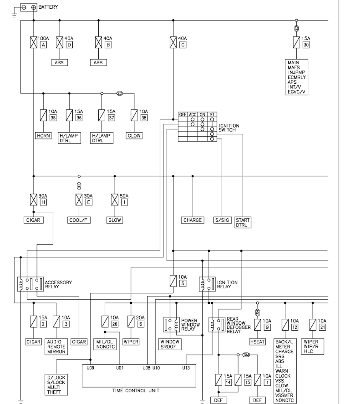
Nissan Terrano Workshop Manual | # PIN ANYTHING - NO LIMIT ... Nissan Terrano Workshop Manual Nissan Terrano, Business Products, Top Cars, Motor Car,
Nissan Terrano Ii R20 Series Service Repair Manual 1993 2006 - Nissan Terrano Ii R20 Series Full Service Repair Manual 1993 2006 Summary Books : Nissan Terrano Ii R20 Series Full Service Repair Manual 1993 20061984. P online all Book PDF file that related with Nissan Terrano Ii R20 1993 2006 Workshop Repair Manual book. Happy reading Nissan Terrano Ii R20 1993 2006. Nissan Terrano II R20 Repair Manual 1995-2005. models: Nissan Terrano II R20 Series 2WD & 4WD. years: 1995-2005. engines: 2.7 L TD27Ti I4 Turbodiesel 3.0 L ZD30DDTi I4 Turbodiesel.repair manuals, nissan terrano ii r20 repair manual 1995 2005 models: nissan terrano ii r20 series 2wd & 4wd years: 1995 2005 engines: 27 l td27eti i4 turbodiesel 30 l zd30ddti i4 turbodiesel.. Nissan Terrano Ii R20 Series Service Repair Manual 1993 2006 Summary Books : Nissan Terrano Ii R20 Series Service Repair Manual 1993 20061984 nissan. Results for "Nissan+Terrano+Service+Repair+Manual+Download.pdf" 50 files found Preview.
Title: Nissan Terrano Ii R20 Series Complete Workshop Service Repair Manual 1993 1994 1995 1996 1997 1998 1999 2000 2001 2002 2003 PDF Author: TECHSOCIAL.CO.ZA. manual 2002-2006 nissan terrano r20 series service repair swiss screw machine operator manual 1993 nissan terrano 2 service repair manual - mcgraw hill study photosynthesis key nissan terrano service repair manuals. Free Repair Manuals for all Nissan Models. Or select your model From the A-Z list below:.
2004 NISSAN TERRANO Ii 2.7 Diesel Manual Mot Fail Spares Or Repair 2004 Nissan Terrano Ii 2.7 Diesel Manual Mot Fail Spares Or Repair Export 1 of 12 See More 1993 2006 Nissan Terrano Ii R20 Service Manual Download - The Nissan Sentra is a car produced by Nissan since 1982..
2006 Chrysler Sebring Wiring Diagrams
Nissan Terrano Ii Model R20 Series Workshop S by JuliusFolse - issuu
Nissan Terrano Ii Model R20 Series Workshop S by JuliusFolse - issuu
2006 Dodge Ram 2500 Radio Wiring Diagram
Nissan Terrano II 3.0Di 154hv 4x4 // SIISTI JA VÄKIVAHVA AITO ... Nissan Terrano II. Previous; Next
Nissan Terrano II 3.0Di 154hv 4x4 // SIISTI JA VÄKIVAHVA AITO ... Nissan Terrano II. Previous; Next
2006 Chevy Cobalt Lt Owners Manual
Nissan TERRANO II R20 1993 - 2006 Workshop Service Repair Manual on ... ... Norton Secured - powered by Verisign
Nissan TERRANO II R20 1993 - 2006 Workshop Service Repair Manual on ... ... Norton Secured - powered by Verisign
2006 F 150 In Cab Fuse Box
NISSAN TERRANO R20 workshop manual on CD Nissan Terrano R20 Workshop Manual
NISSAN TERRANO R20 workshop manual on CD Nissan Terrano R20 Workshop Manual
Securely Verified