MTD 13AM675G205 - Ranch King Lawn Tractor (1999) Deck Assembly G ... MTD 13AM675G205 - Ranch King Lawn Tractor (1999) Deck Assembly G Diagram and Parts List | PartsTree.com
Mtd Lg 175 User Manuals - View and Download Champion EUCC Series user manual online. E series High Temperature Upright Conveyor Dishwasher. EUCC Series Dishwasher pdf manual download. Also for: Euccw-4, Euccw-6, Euccw-8, Eucc-4, Eucc-8, Eucc-6.. View and Download Craftsman 247.290000 operator's manual online. sears. 247.290000 Lawn Mower pdf manual download.. The 2018 FIFA World Cup was the 21st FIFA World Cup, an international football tournament contested by the men's national teams of the member associations of FIFA once every four years..Do you want to control your TV and your devices smart? Take a look at this Kickstarter campaign. I try to get root access on my Philips PFL9703 TV.. Use the search box below to find the filters for your machine (i.e. 84301243, New Holland TG305 oil filter, etc.). If you need to find your part numbers, please refer to our New Holland parts lookup page.. 05.11.2007 · The ShopSmith Mark V 5-in-1 woodworking system has been around since the ’50s — and hasn’t changed much since then. Recently I had a chance to.
Nissan Titan Radio Wiring Diagram
MTD 11867R-9 - MTD Walk-Behind Mower (1989) 21 Diagram and Parts ... MTD 11867R-9 - MTD Walk-Behind Mower (1989) 21 Diagram and Parts List | PartsTree.com
MTD 11867R-9 - MTD Walk-Behind Mower (1989) 21 Diagram and Parts ... MTD 11867R-9 - MTD Walk-Behind Mower (1989) 21 Diagram and Parts List | PartsTree.com
Nissan X Trail Tow Bar Wiring Diagram
MTD Lawn tractors LG 175 13AN773G600 (2009) Mowing deck G (42/107cm ... MTD Lawn tractors LG 175 13AN773G600 (2009) Mowing deck G (42
MTD Lawn tractors LG 175 13AN773G600 (2009) Mowing deck G (42/107cm ... MTD Lawn tractors LG 175 13AN773G600 (2009) Mowing deck G (42
Nissan Xterra Fuse Box Radio
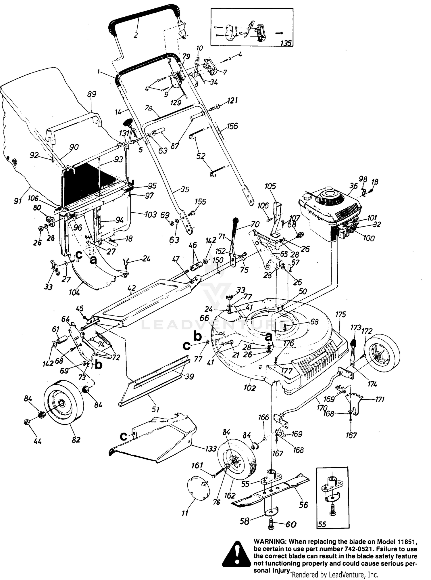
MTD 11852-8 (1988) 21"
MTD 11852-8 (1988) 21"
Nissan Xterra 2003 Wiring Diagram
MTD Lawn tractors LG 175 13AN773G600 (2008) Seat bracket from 16.06 ... MTD Lawn tractors LG 175 13AN773G600 (2008) Seat bracket from 16.06.2008
MTD Lawn tractors LG 175 13AN773G600 (2008) Seat bracket from 16.06 ... MTD Lawn tractors LG 175 13AN773G600 (2008) Seat bracket from 16.06.2008
Securely Verified