McCulloch 100s 130 Manual Oiler Kit Part Number 217762 | eBay ... Norton Secured - powered by Verisign
Mcculloch Mac 160s Manual Year - File Type PDF Mcculloch Mac 160s Manual Mcculloch Mac 160s Mcculloch Mac 160, 2 cid about 33 ccs, 16 inch bar, McCulloch 110 Chainsaw Assembly (not as bad as you think!) In this video we look at the process of installing the engine into the housing and getting everything back in place. I find a surprise. Garden product manuals and free pdf instructions. Find the user manual you need for your lawn and garden product and more at ManualsOnline. The McCulloch 160s is a discontinued model of chainsaw sold between 1983 and 1995. The 32.8cc engine on this saw comes equipped with either a Walbro or Zama brand carburetor. These carburetors.Mcculloch manuals are a must for the DIY person, offering part numbers, service and repair information, as well as original owners / operators instructions and specifications. Buy it today and get Free Shipping!. Thank you for visiting McCulloch Chainsaw Guide. We have created this site for those users who are interested in finding information about McCulloch chainsaw operation, current models or need to purchase parts. If you experience troubles with your McCulloch equipment the troubleshooting section will be a great source of solutions. The McCulloch company produces chainsaws for over 60 years. Sep 05, 2016 · McCulloch Manuals (New and Improved!) Discussion in 'Chainsaw Stickies' started by McCulloch General Service Information (SI-27) - Mini-Mac 6 & 6A McCulloch Owners Manual (57213) - Mac 1-61 McCulloch Service Manual (28998) - Mac 4-30 I snagged the SP125 info and it's much appreciated. Happy New Year . AKDoug, Jan 1, 2014 #7. crane.
They have made many products over the years. Chain saws, power blowers, string trimmers gas and electric, pressure washers, water pumps, hand drills. When calling ask for Kevin. ktoutdoor@turfparts.com. McCulloch Parts Manual 10-60006 MAC 10-10 09/68 to 07/69 IPL 84693. mcculloch power mac 6 mcculloch mac 110 mcculloch 2-10 mcculloch pro mac 510 mcculloch mac 110 (duplicate) mini mac mini mac 6 pro mac 610 pro mac 510 mcculloch 140 autosharp mac super pro 40 mac super pro 60 pro mac 55 pro mac 10-10 mcculloch 380 manufactured by: mcculloch motors corp.. 1. Fill the chain saw chain oil reservoir with the type of oil recommended by McCulloch. Refer to the operator's manual to ascertain which oil is recommended for your model..
McCulloch Chainsaw Parts Vintage New Old Stock Bars, Sprockets, and more Many of these parts are no longer being made, but we have some! $ 0.00 'Item' was added to your cart.. Here at Lil' Red Barn, we offer high quality aftermarket suitable replacement McCulloch 160S chainsaw parts. While most local retailers will have to order your parts then wait for delivery, we have our parts in stock and ready to ship when you place an order with us.. We have 1000’s of used and new mcculloch chainsaw parts. We just bought out a large mcculloch dealer this summer and got lots of NOS chainsaw parts. We have lots of used mcculloch parts. Especially for common models like 10-10, pro mac, 10 series, super pro series, 610, power mac, timber bear and many many other models.
Mcculloch Eager Beaver 2 0 Chainsaw Manual Pdf PDF complete is limited edition and best seller in the year. Get Mcculloch Eager Beaver 2 0 Chainsaw Manual Pdf PDF complete and save both time and money by visit our website, available in formats PDF, Kindle, ePub, iTunes and Mobi also.. NOS McCulloch Mini Mac 30, Mac 100S, Mac 110, Mac 120, Mac 130, Mac 140, Mac 160S Chainsaw Manual Oil Pump Spring 83946 $1.99 NOS McCulloch Mini Mac 6, Mini Mac 30, Mini Mac 35, Mac 100S, Mac 110, Mac 120 Chainsaw Throttle Return Spring 83940.
2014 Factory Wiring Diagram Tundratalk Toyota Tundra
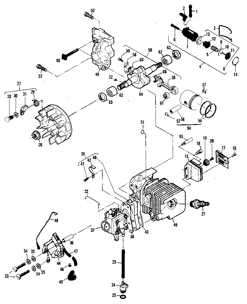
Mcculloch model MINI MAC 160S chainsaw genuine parts
Mcculloch model MINI MAC 160S chainsaw genuine parts
2014 Bmw M6 Manuals Transmission For Sale
McCulloch 100s 130 Manual Oiler Kit Part Number 217762 | eBay
McCulloch 100s 130 Manual Oiler Kit Part Number 217762 | eBay
2013 Triumph Bonneville Wiring Diagram
mcculloch mac 110 - 160s chainsaw mdc 15 carburetor REBUILT | Chainsawr mcculloch mac 110 - 160s chainsaw mdc 15 carburetor REBUILT
mcculloch mac 110 - 160s chainsaw mdc 15 carburetor REBUILT | Chainsawr mcculloch mac 110 - 160s chainsaw mdc 15 carburetor REBUILT
2014 Ford Mustang Fuse Box
Mcculloch 140 Wiring Diagram | Manual e-books Mcculloch 140 Wiring Diagram
Mcculloch 140 Wiring Diagram | Manual e-books Mcculloch 140 Wiring Diagram
Securely Verified