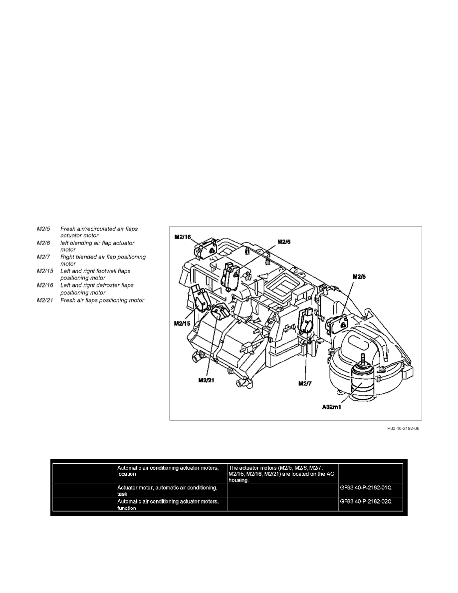
Mercedes Benz Workshop Manuals > CLK 350 Cabriolet (209.456) V6-3.5L ... ... Automatic Air Conditioning, Task > Page 13769. background image
Manuals Air Conditioning To Automatic - Free downloadable copies of installation and service manuals for heating, heat pump, and air conditioning equipment - hard to find manuals for older or discontinued air conditioners, furnaces, heat pumps, boilers, etc. We include immediate free downloads of example installation & repair manuals and wiring diagrams for air conditioners, heat. Free downloadable copies of installation and service manuals for heating, heat pump, and air conditioning equipment - hard to find manuals for older or discontinued air conditioners, furnaces, heat pumps, boilers, Links to free copies of Lennox Equipment Installation, Service, & Owners Manuals for Lennox furnaces, Lennox heat pumps, Lennox Air. Tom's Bronco Parts offers 2 different A/C Kits for 66-77 Ford Broncos. The first is our Gen IV Vintage Air A/C Kit. This kit adds air conditioning to your Ford Bronco and also replaces your factory heater unit. This system is Vintage Air's most powerful and intelligent climate control system and offers many upgrades from previous models..Bob's Heating & Air Conditioning serves Seattle and the Puget Sound region with heating and cooling products, keeping Seattle and Eastside cities comfortable since 1957. Emergency service is available 24/7 800-840-3346.. Offers portable air conditioners and AC units including spot coolers, outdoor and computer air conditioning systems as well as water damage restoration and moisture removal systems.. Engineered Air designs, manufactures and sells heating, ventilating, and air conditioning units, HVAC, from many locations in Canada and the United States of America..
Save on service & repair manuals for auto, truck, motorcycle, atv, marine engines, and tractors. We also carry automotive tools including diagnostic tools and high quality transmission rebuild kits & parts.. Disclosure:Daihatsumanuals.com has financial relationships with some affiliate links to products,services mentioned here,which enables us to offset the cost of maintenance and to keep this site free for everyone to use.. Computer & Office Room Air Conditioner Portable Air Conditioning & Spot Cooling Solutions. Delivering the highest cooling capacity possible from a standard 115V power source, the Office Pro 18 portable air conditioner acts as a computer room air conditioner to help companies cool their heat-sensitive office systems and protect against the loss.
Up to 75% Off Repair Manuals (OEM, Chilton, Haynes, Clymer) and Parts for Auto, Truck, Marine, Outboard, Motorcycle, Snowmobile, Scooter & ATV Applications..
Vauxhall Insignia Fuse Box Layout
Mercedes Benz Workshop Manuals > E 63 AMG Sedan (211.077) V8-6.3L ... background image
Mercedes Benz Workshop Manuals > E 63 AMG Sedan (211.077) V8-6.3L ... background image
Variable Transformer Wiring Diagram Free Picture
Mercedes Benz Workshop Manuals > SL 500 (230.475) V8-5.0L (113.963 ... Heating and Air Conditioning > Housing Assembly HVAC > Component Information > Description and Operation > GF83.40-P-2105-02R Automatic Air Conditioning Box ...
Mercedes Benz Workshop Manuals > SL 500 (230.475) V8-5.0L (113.963 ... Heating and Air Conditioning > Housing Assembly HVAC > Component Information > Description and Operation > GF83.40-P-2105-02R Automatic Air Conditioning Box ...
Vauxhall Coil Pack Wiring Diagram
Mercedes Benz Workshop Manuals > CLK 320 (209.365) V6-3.2L (112.955 ... background image
Mercedes Benz Workshop Manuals > CLK 320 (209.365) V6-3.2L (112.955 ... background image
Vauxhall Corsa 1999 Fuse Box Diagram
Inverter Air Conditioner: Panasonic Inverter Air Conditioner R410a ... Images of Panasonic Inverter Air Conditioner R410a Manual
Inverter Air Conditioner: Panasonic Inverter Air Conditioner R410a ... Images of Panasonic Inverter Air Conditioner R410a Manual
Securely Verified