Manual De Servicio Taller Chevrolet Blazer S10 99 - 04 Full ... manual de servicio taller chevrolet blazer s10 99 - 04 full. Cargando zoom.
Manual De Taller Chevrolet S10 - Hola necesito manual chevrolet s10 2.8 diesel que traiga esquema electrico ecu edc16c9. saludos.. 2. La ilustración general del Manual De Taller Toyota Land Cruiser muestra también los componentes expansibles, los pares de torsión y los símbolos que se refieren al. Fernando dijo Hola, te contacto desde México, requiero el manual de taller para reparación y mentenimiento para opel zafira 2004 comfort autometica con motor Z22SE de 2.2litros,agradeceré me indiques como lo puedo obtener..Alejandro Del Mar dijo buenas tardes, estoy en Venezuela, me interesa tener un manual completo, con todo, de un MAZDA 323 HS, Año 1993, 1.5 ensamblado en colombia.. Mirá los precios de los autos Chevrolet usados en Araucar Motors. Ofertas de vehículos usados de todos los modelos y versiones: Hatchback, Sedan, Minivan, SUV, Pick-Up y más.. VW Gol 1.6, 1.8, 2.0 Nafta 1.6 Diesel Manual Taller En esta oportunidad pongo a su disposicion el manual de reparaciones del VW G.
Buenas tardes estoy buscado un manual de taller para mi peugeot 206 1.6 16v año 2008 fabricado en francia. Gracias.. Hola muchachos me prende la luz del abs y cuando freno se bloquea la rueda trasera izquierda, ademas me quema 2 fusibles grandes de la fusiblera de al lado de la batería, si la vemos de costado sería lis de la izquierda el segundo y tercer fusible,todavía no quiero caer al taller y que me rompan el orto.. CARACTERISTICAS PRINCIPALES. DIRECCIÓN. La nueva Chevrolet S10 cuenta con dirección con asistencia eléctrica, una de las tantas características que la diferencian de sus competidoras..
Mas de uno se debe haber matado buscando esto el despiece del volkswagen Gol G3 Completo más el esquema del motor, sistema eléctrico y también el manual de propietario.
2006 Volkswagen Passat Wiring Diagram
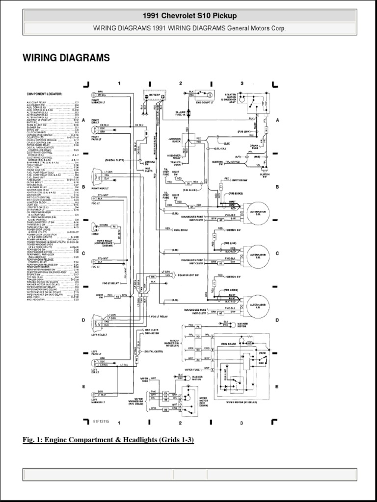
s10 91.pdf
s10 91.pdf
2006 Toyota Tacoma Fuse Box
Manual De Taller Servicio Chevrolet S10 Pickup 1996-2004 Pdf - U$S 9 ... manual de taller servicio chevrolet s10 pickup 1996-2004 pdf. Cargando zoom.
Manual De Taller Servicio Chevrolet S10 Pickup 1996-2004 Pdf - U$S 9 ... manual de taller servicio chevrolet s10 pickup 1996-2004 pdf. Cargando zoom.
2006 Spartan Chassis Service Manual
Manual De Taller Chevrolet S10 (1994-2004) Español - $ 5.790 en ... manual de taller chevrolet s10 (1994-2004) español. Cargando zoom.
Manual De Taller Chevrolet S10 (1994-2004) Español - $ 5.790 en ... manual de taller chevrolet s10 (1994-2004) español. Cargando zoom.
2006 Vw Gti Fuse Diagram
CHEVROLET S10 y BLAZER Manual de Taller | Manuales CHEVROLET CHEVROLET S10 y BLAZER - Manual de Taller en español.Cubre todas las áreas y
CHEVROLET S10 y BLAZER Manual de Taller | Manuales CHEVROLET CHEVROLET S10 y BLAZER - Manual de Taller en español.Cubre todas las áreas y
Securely Verified