INSTRUCTION MANUAL FOR PISTON MANUAL FOR PISTON COMPRESSOR ...
Manual Compressor Sabroe Sab 202 - Manual Compressor Vmy 436h Sabroe Screw Manual Compressor Vmy 436h Sabroe Screw it to your computer by clicking the Download link York screw compressor manual. Instruction manual sab 202 - scribd SV and FV screw compressors 5 dB for VMY screw compressors As to the Sabroe screw compressors manual). As the compressor is. Manual Do Compressor Sabroe Read/Download Checklist for commissioning of compressor, chiller and heat pump units Read and understand all Sabroe manuals (compressor, Unisab, chiller, etc.). tested in stock for Carrier and Sabroe. Anglotech is Flexible hoses. Any compressor reconditioned will be Instruction Manual and spare parts list.. Operating Manual - SAB 202. Manual for SAB 202 The screw compressor and the unit may be fitted with different equipment, depending on their functions and requirements. Part of this equipment is described in this manual although it may not be fitted on your particular unit. The safety precautions for this Sabroe compressor have been prepared.Like their smaller counterparts, these large-capacity compressor units can be used with all common refrigerants and process gases. Range Thirteen different models are available to provide swept volumes of 838–9053 m3/h at 3000 rpm. Sabroe SAB screw compressor units Large single-stage compressors with swept volumes of 850–9000 m3/h. Sab 163 Manual Manual De Sabroe Sab 163 .pdf eBooks for Free manual sabroe SAB 202 - Docs-Finder.com - Free Documents Search Engine Free eBook and manual for Business, Education Sabroe Compressor Manuals Sabroe Compressor Manuals SAB 163 - sabroe - COOLTECH Compressor SAB 163 Mk3 is a capacity. sabroe unisab manual - free ebooks download Sabroe unisab manual download on Pdfscatalogmanual.com free books and manuals search - York Unisab 3 Manual sab 202 - sabroe - cooltech The sabroe SAB 202 compressor is a capacity adjustable screw compressor with oil Manual regulation of the Vi slide: UNISAB II Frontpanel: 1573-007 : 1 CPU-Module:.
Sabroe product description SAB screw compressors (swept volumes 800Ð10,000 m 3/h) Significant advantages Fitted with an IEC flange-mounted motor as standard. Alignment is machined into the parts at the factory. XHighly effective SuperFilter IIª oil filter captures 99% of all particles larger than 5 microns.. usato Sabroe, tecnica di refrigerazione York Sabroe, Denmark DuoPack SAB 128 HF - 750 kW Refrigeration Screw Compressor SAB 128 HF. Refrigeration Screw Compressor DuoPack SAB 128 HF - 750 kW This is a chiller package made by Sabroe Denmark in 2002, cooling capacity 750 kW, adjustable for 10-100% load.. DOC-Live: stal screw compressors manual - Online Free Unlimited pdf document search and download. Sabroe Screw Compressor Service Manual Sabroe is part of a bigger picture > Wanted: Used Sabroe, Choice of manual or automatic stepless variable Vi Sabroe SAB Service manual for STAL Screw compressor; What is booster compressor?.
Varaday Refrigeration Spares is a well-known Manufacturer Exporter & Supplier of Sabroe Compressor Spare Parts in Mumbai, Sabroe Compressor Spare Parts Exporter Maharashtra, Sabroe Compressor Spare Parts Supplier Mumbai, Sabroe Compressor Spare Parts Manufacturing & Export company in India.. Sabroe TCMO/TSMC two-stage reciprocating compressor units Two-stage versions of CMO and SMC reciprocating compressors, with swept volumes of 200–1000 m3/h Sabroe TCMO/TSMC two-stage reciprocating compressors are an economical operating alternative to single-stage compressors in smaller low-temperature refrigeration installations.. SABROE SABlight air-cooled chillers Compact air-cooled chillers for outdoor installation, based on a screw compressor, with a 174–430 kW capacity range The SABlight air-cooled chiller is a particularly compact design that uses V-coil condensers to substantially reduce the overall footprint. The screw compressor.
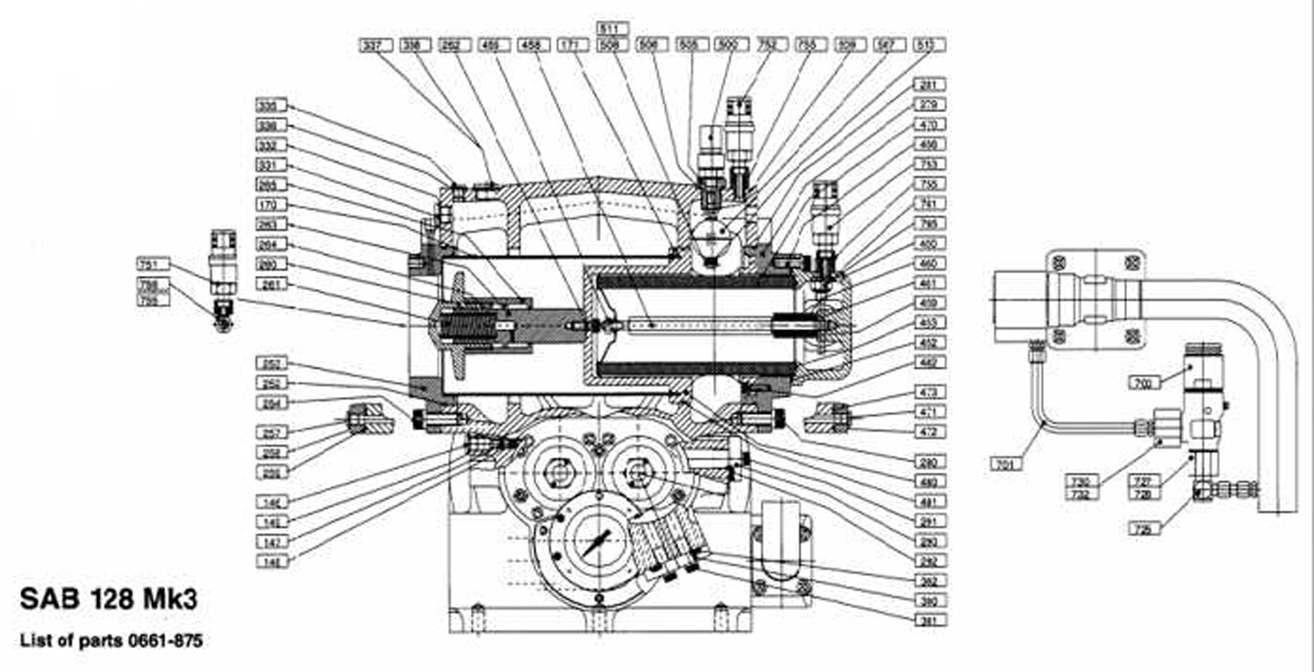
Sabroe Sab 202 unused from 2014 located in India available on Kitmondo.com. Find more Vertical Machining Centre. Toggle navigation. Sabroe 202 refrigeration compressor orginal bearing set with overhuling service gasket set un used with packing. Price: $3,500 CONTACT US Last. Compressor housing 10 Compressor housing 11 Threaded plug 12 Threaded plug with collar 13 Gasket Bearing cover at suction end 21 O-ring 22 Cylindrical pin 23 Socket cap screw 24 Threaded plug with collar 25 Dowty-ring 26 O-ring Bearing cover at discharge end 40 Bearing cover 43 Cylinder screw 45 Stop screw 46 Plug with collar 47 Dowty-ring Capacity regulating cylinder 50 Capacity regulating.
Alto 800 Fuse Box Diagram
sabroe
sabroe
C Hr 2017 Fuse Box Diagram
sab202 manual operation | Valve | Gas Compressor
sab202 manual operation | Valve | Gas Compressor
Alero 2000 Fuse Box Diagram
Spare parts manual SAB 83 - Sabroe compressors, chillers ...
Spare parts manual SAB 83 - Sabroe compressors, chillers ...
Isuzu Rodeo Fuel Gauge Wiring
Instruction Manual SMC /TSMC 108 Mk 3 - PDF Free Download
Instruction Manual SMC /TSMC 108 Mk 3 - PDF Free Download
Securely Verified