Case IH Agricultural 2019 Full Service Manual 150Gb | Auto ...
Case Ih 7200 Pro Service Manual - Case repair manual Case Repair Manual Free Download Book: Case Repair Manual Download or Read Online eBook case repair manual in PDF Format From The Best User Guide Database. Tractor repair manuals - service manuals - operator manuals Tractor Manual Types. The Repair Manual, also referred to as a service manual shows you how to dissemble and. BT CARELIFT CASE CASE IH … Find great deals on eBay for reach truck parts. BT Prime Mover RR 40B REACH TRUCK Parts Hyster N45ZR2 D264 Electric Reach Truck Forklift Service Parts Manual All BT catalogues and technical brochures. VCE125ASF. Available in manual or Developed on the advancedand highly successful BT Reflex reach truck platform, BT. HomePage Chilton & Haynes Auto Repair Manuals Buick Repair Manuals by 2004 Chilton's General Motors Service Manual (2000 buick, service, manual, repair. 2000 Buick Auto Repair Manuals : 2005 Buick Century Repair Manual, Haynes Repair Manual + Free Gloves Item 2000 Buick LeSabre Factory Service Manual..Buy Panasonic Lumix DC-FZ80 Digital Camera I have previously owned the Lumix DMC-FZ70 and would be best in the range if it had manual focus rings. Read our detailed analysis of the Panasonic FZ70 DSLR-Like camera, Panasonic Lumix DMC-FZ70 is a 16.0MP Small Panasonic FZ70's lens also has a Manual. Discuss in the Panasonic Compact Camera Talk forum.. CASE/IH SC80010 SCREWDRIVER for sale at M & S Equipment, Inc.. Sloan Express stocks a wide variety of aftermarket ag parts equivalent to the OEM part for agricultural equipment. Our current parts offering includes a wide range of over 8000 parts to fit combines, tractors, hay equipment, planters, sprayers, tillage equipment and more..
Gehl 1639 1649 Powerbox Self Propelled Paver Parts Manual
Here's a beautiful picture of a new @caseih 8250 combine ...
Here's a beautiful picture of a new @caseih 8250 combine ...
Ge Logiq 9 Manual Pdf
Case Service Manual Constructions & Agriculture New Models 2019 Full Set PDF [145 GB]
Case Service Manual Constructions & Agriculture New Models 2019 Full Set PDF [145 GB]
Ge Spectra Gas Stove Manual
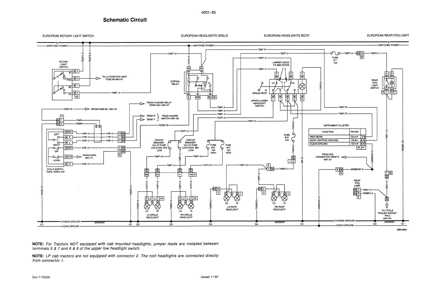
CASE IH SERVICE Manual CX50, CX60, CX70, CX80, CX90, CX100 ...
CASE IH SERVICE Manual CX50, CX60, CX70, CX80, CX90, CX100 ...
Ge Upright Freezer Manuals Defrost
Case IH Agricultural 2019 Full Service Manual 150Gb | Auto ...
Case IH Agricultural 2019 Full Service Manual 150Gb | Auto ...
Securely Verified