Broan 1051-J Service manual | manualzz.com
Broan 1050 Electrical Wiring Diagrams - Listed below are some of highest rated broan bathroom fan wiring diagram images on internet. We noticed it from reliable resource. Its released by Ella Brouillard in the best field. We feel this broan bathroom fan wiring diagram graphic could possibly be the most trending topic if we promote it in google plus or twitter.. john deere 1050 wiring diagram – welcome to my web site, this post will certainly discuss concerning john deere 1050 wiring diagram. We have actually collected numerous photos, hopefully this photo serves for you, and also help you in discovering the response you are searching for.. Nov 22, 2018 · John Deere 1050 Wiring Diagram (Nov 22, 2018) - The following john deere 1050 wiring diagram photo have been published. You can get this amazing graphic to your laptop, netbook or desktop pc. You also can easily book mark this page to you favourite social bookmarking sites..Broan Range Hood Wiring Diagram broan b5836ss manuals broan b5836ss pdf user manuals view online or broan b5836ss instructions manual. So ideas if you would like obtain all of these outstanding graphics regarding Broan Range Hood Wiring Diagram,. Wiring Wiring Diagram. 2018-07-28. Bolens 1050 wiring diagram is one of raised content at the moment. We realize it from google search engine statistics such as adwords or google trends.. Broan 350 Instructions Manual. Hide thumbs the section on electrical wiring for suggested wiring diagrams. and instructions. 7. This unit must be grounded. . manufacturer's instructions for good adhesion. 8. This ventilator is intended for roof installation. The Broan Model 353 Gable Mount Ventilator is available for side wall.
Cub Cadet 1050 Wiring Diagram ~ thank you for visiting our site, this is images about cub cadet 1050 wiring diagram posted by Alice Ferreira in Cub category on Nov 15, 2018. You can also find other images like wiring diagram, parts diagram, replacement parts, electrical diagram, repair manuals, engine diagram, engine scheme, wiring harness, fuse box, vacuum diagram, timing belt, timing. View and Download Broan 655C instruction manual online. 655C Fan pdf manual download. Refer to the wiring diagram of your unit on the next page. Re- Installation work and electrical wiring must be done by a CAUTION qualified person(s) in accordance with all applicable codes To avoid the possibility of overheating and/or fire, the grille.
Polaris 800 Pro Rmk 2013 Fuse Box Diagram
Broan model 1050 compactors genuine parts
Broan model 1050 compactors genuine parts
Polaris 700 Switchback 2008 Wiring Diagram
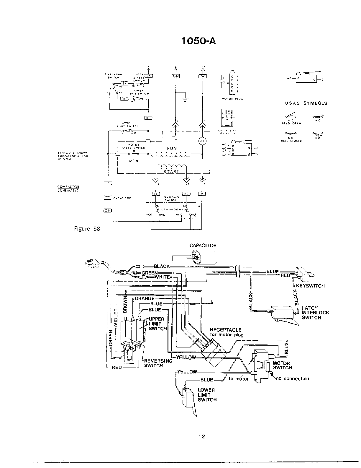
Page 2 of Broan Trash Compactor 1050-J User Guide | ManualsOnline.com 2
Page 2 of Broan Trash Compactor 1050-J User Guide | ManualsOnline.com 2
Polaris Pb4 60 Booster Pump Wiring Diagram
Broan model 1050 compactors genuine parts
Broan model 1050 compactors genuine parts
Polaris 600 Rmk 2013 Fuse Box Diagram
Broan model 1050 compactors genuine parts
Broan model 1050 compactors genuine parts
Securely Verified