Dodge Ram 1500 Questions - How do I shift the transfer gear on 2003 ... gallery_worthy
95 Dodge Ram 1500 Manual - One of our best selling items is the Haynes Repair Manual for the Dodge Ram pickups. The staff likens this manual to the "Cliff Notes" used by students in lieu of reading the entire book. However, there are times when you need the detail of the 1995 Dodge Factory Service Manual (yes, the same one you can order out of the back of your Owner's. Download: Chiltons Repair Manual 95 Dodge Ram 1500 4×4 5.2.pdf - Free download Ebook, Handbook, Textbook, User Guide PDF files on the internet quickly and easily.. Dodge Ram Pickup 1500 Service & Repair Manual Manual 1999 Dodge Ram 1999 Factory Service Repair Manual PDF.zip 1999 Dodge RAM Pickup Truck R 1500 COMPLETE OFFICIAL FACTORY SERVICE / REPAIR / FULL WORKSHOP MANUAL.Feb 24, 2014 · Dodge Ram Service Manuals.FREE!!!!! OK. I got some factory service manuals i am going to share. I have 2002-2006 manuals. Missing 2007 and currently. Original Dodge Repair Manualswritten by Chrysler specifically for the year and vehicle(s) listed. Official Shop Manuals that the dealers and shop technicians use to diagnose, service and repair your Dodge Ram Truck, Avenger, Caliber, Challenger, Charger, Dakota, Diplomat, Durango, Grand Caravan, Intrepid, Journey, Magnum, Neon, Nitro, Power Wagon, Ramcharger, Stratus or Viper. 1994-2001 Dodge Ram pickup truck transmissions. Two five-speed manual transmissions were used on the 1994 Dodge Ram; the V6 got the NV3500, and the other engines got the NV4500/NV4500HD.Both were made by New Venture Gear, a joint venture of GM and Chrysler, and had a 1:1 fourth gear; overdrive was .73 and .75, respectively..
Learn more about the 1995 Dodge Ram 1500. See the 1995 Dodge Ram 1500 price range, expert review, consumer reviews, safety ratings, and listings near you.. Where Can I Find A Dodge Service Manual? The best way to go about this is to pick up a free downloadable service manual on this site. After downloading it you can print the manual off and have a reliable repair guide which will allow you to keep your Dodge on the road for as long as you see fit. Dodge - Ram 1500 2008 - Dodge - Ram 1500 Quad. Jul 07, 2015 · 97 Ram 1500 Fuse Layout - Dodgeforum.com; 2nd Generation Dodge Ram Service Manuals - Dodgeforum.com; Related Articles. Dodge Ram 2002-2008: Fuse Box Diagrams. Fuse Box Diagrams Check the fuse or relay in the fuse box for lights out, an inoperative door lock, a blower or windshield wiper that is not working, and a variety of other outages. This.
List of Chrysler transmissions. Jump to navigation Jump to search were no longer used by other OEM's. Commonly found in the 300, Magnum, Charger, Challenger, Wrangler, and some Dodge Ram pickups, the A580 was last used in the 2019 Dodge Charger Pursuit models. 2013–present Ram 1500 (5.7L V8, 3.0L V6 diesel) 2014–present Dodge. Jan 11, 2020 · home › dodge ram truck 1500 2500 3500 service repair manual download!!! paul b. 11 jan 2020. dodge ram truck 1500 2500 3500 service repair manual download!!! 9 95; add to cart. instant downloadable pdf after payment no zip files or crap you need to load, plain simple easy to use pdfs only. CARiD is well-known for the quality parts and accessories all over the world. If you need to change the transmission fluid in your 1995 Dodge Ram, be our guest!.
Dodge 1500 Pick-Ups (94-01) & 2500/3500 Pick-Ups (94-02) Technical Repair Manual (Haynes Repair Manuals) [Haynes] on Amazon.com. *FREE* shipping on qualifying offers. Technical Repair Manual. Step-by-step procedures linked to over 700 easy-to-follow photos and illustrations. Complete troubleshooting section helps identify specific problems.. Dodge : Ram 1500-3500, W-Series Pickup, Ramcharger, Trailduster: 4x4 Posi-Lok replaces the vacuum actuator with a cable operated actuator that puts the driver in control of the engagement from inside the cab. After engaging the transfer case, a one inch pull of the 4x4 Posi-Lok cable connects the right front axle to the intermediate shaft using.
Wiring Diagram For A Garage Door Opener
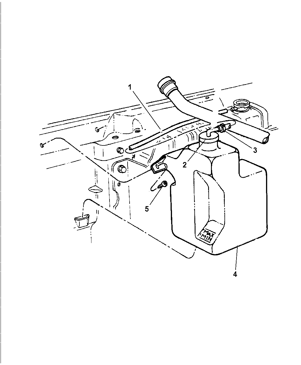
1995 Dodge Ram 1500 Gear Train of Manual Transmission 1995 Dodge Ram 1500 Gear Train - Thumbnail 1
1995 Dodge Ram 1500 Gear Train of Manual Transmission 1995 Dodge Ram 1500 Gear Train - Thumbnail 1
Wiring Diagram For A X1 49cc Gas Pocket Bike
1995 Dodge Ram 1500 Headlight Switch Wiring Diagram | Manual e-books 1995 Dodge Ram 1500 Headlight Switch Wiring Diagram
1995 Dodge Ram 1500 Headlight Switch Wiring Diagram | Manual e-books 1995 Dodge Ram 1500 Headlight Switch Wiring Diagram
Wiring Diagram For 93 Accord
1995 Dodge Ram 1500 Headlight Switch Wiring Diagram | Manual e-books 97 mustang headlight switch wiring diagram manual e books97 mustang headlight switch wiring diagram wiring diagram
1995 Dodge Ram 1500 Headlight Switch Wiring Diagram | Manual e-books 97 mustang headlight switch wiring diagram manual e books97 mustang headlight switch wiring diagram wiring diagram
Wiring Diagram For 480 277 Motor
1995 Dodge Ram 1500 Fuel Pump Wiring Diagram | Manual e-books dodge 318 wiring manual e books 1995 Dodge Ram 1500 ...
1995 Dodge Ram 1500 Fuel Pump Wiring Diagram | Manual e-books dodge 318 wiring manual e books 1995 Dodge Ram 1500 ...
Securely Verified