2003 Daewoo Scope Concept | Review | SuperCars.net Story by GM Daewoo
2000 Daewoo Leganza Fuse Box - Hhr radio wiring diagram further 2000 daewoo leganza audio system stereo wiring diagram moreover 2011 chevy malibu fuse box diagram as well as odicis furthermore 0w 2 2005 malibu dash fuse cover shows headlight relay further lights wiring diagram 2007 chevy uplander in addition reverse polarity relay wiring along with 2009 chevy malibu engine diagram together with 2008 pontiac g5 wiring. T16440451 Chevrolet 6 Cylinder Engine Wiring T16440451 Chevrolet 6 cylinder engine wiring moreover P 0900c1528008d14a besides Daewoo Leganza Engine Diagram further T13236279 Fuse box diagram 2004 vw jetta tdi together with Carburador Motor 2e.. Daewoo lanos engine wiring diagram further daewoo matiz sohc engine timing belt and pulley schematic diagram further 2000 daewoo nubira engine diagram together with 2000 daewoo leganza audio system stereo wiring diagram as well as 1999 daewoo nubira engine electrical wiring schematics as well as toyota fuse box abbreviations along with daewoo matiz electrical wiring diagram as well.Used 2000 Daewoo Leganza Parts For Sale. Access online used parts and accessories for 2000 Daewoo Leganza vehicles. Our 2000 Daewoo Leganza inventory changes by the hour and includes front/rear bumpers, doors, hoods, headlights, taillights, mirrors, wheels, engines and more.. 2000 Daewoo Leganza price range, seller's blue book values, buyer's price, listings near you, consumer reviews, and more.. Broken cables and pulleys, worn hinges and wheels, no matter what type of regulator glitch you have in your 2000 Daewoo Nubira, we have the replacement window components..
In 2001, General Motors decided to buy most of the assets of Daewoo Motor, to form GM Daewoo. The new company started its activities October 17, 2002, where GM and its partners Suzuki (PDF Manuals) and SAIC owned shares of 66.7% with an investment of 400 mln.. Turn signal fuse blows immediately upon turning on the power to the car.? The way to get the inside panel off is not in an available area of the door The door must be open to get this panel off. 2000 Daewoo Leganza SE 4 Cyl 2.20L. Body & Interior - by Jake 2/13/2011. 2000 montero sport number 19 fuse box diagram ford windstar (2000) auto genius solved looking for a of the fuses fixya toyota highlander (xu20; 2003) 45 wiring mitsubishi horn questions mercury sable fourth generation (2000 2005) block circuit breaker can i get picture plugwires thw eclipse new 2007 galant location wire center \u2022 chevrolet.
Aug 25, 2007 · Why are the battery and brake lights on 2000 Daewoo Leganza? The driver's side tail-light would stay on with the headlights on-- basically the wire that ran near the fuse box along the trim broke, I rigged it with a thicker gauge wire.-- Brake light fuse? marylee · 2 years ago . 0. Thumbs up. 0. Thumbs down.. Used Auto Parts for Cars and Trucks Local and Nationwide Delivery. 2002 daewoo leganza wiring diagram - I am new to installing alarms and need to get a diagram for my 2002 daewoo leganzaI am especially having trouble with getting the starter interupt to workThanksAny help would be appreciated.
2000 Daewoo Leganza Warning Reviews - See The Top 10 Problems For 2000 Daewoo Leganza . Search Common Problems, Issues, Complaints, Defects and JD Power Rating. new cupholder design and the fuse cover stinks. By Qoatzecotl. on Feb/13/03. 2000 Daewoo Leganza. Reliability. Comfort. Exterior Design. Performance. Interior.. Fuse Box Diagram 2006 Daewoo Lanos Fuse Box Map Fuse Panel. Daewoo Nexia Service Manual Want to get complete Daewoo Lanos Service 2008 Best Answer: is there a 2nd fuse box on a daewoo nexia, if the manuals not..
97 Ford Ranger Windshield Washer Wiring Diagram
2000 Daewoo Nubira Wiring Diagram - Page 2 - Wiring Diagram And ... Daewoo Lanos Motor Diagram Radio Wiring Diagram Source · daewoo nubira engine diagram complete wiring diagrams u2022 rh ibeegu co Volvo 850 Engine Diagram ...
2000 Daewoo Nubira Wiring Diagram - Page 2 - Wiring Diagram And ... Daewoo Lanos Motor Diagram Radio Wiring Diagram Source · daewoo nubira engine diagram complete wiring diagrams u2022 rh ibeegu co Volvo 850 Engine Diagram ...
96 Isuzu Rodeo V6 Manual
Daewoo Lanos - Wikipedia
Daewoo Lanos - Wikipedia
97 Ford E250 Fuse Diagram
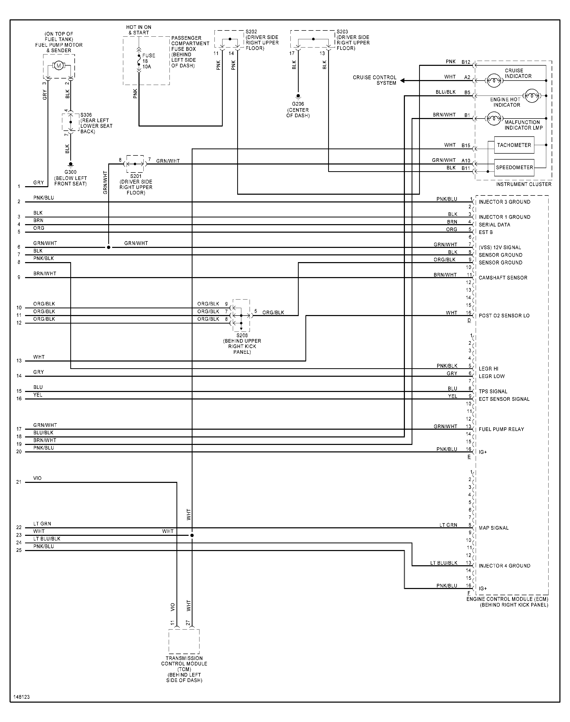
Hi May I Get the Diagram for a 2000 Daewoo Leganza the Sensors ... Thumb
Hi May I Get the Diagram for a 2000 Daewoo Leganza the Sensors ... Thumb
97 Crown Victoria Wiring Diagram
2001 Daewoo Nubira Fuse Box - Opinions About Wiring Diagram • 2000 2002 daewoo nubira oem fuse box cover pn 96585125 ebay rh ebay com 2001 Daewoo Nubira CDX 2001 Daewoo Nubira SE
2001 Daewoo Nubira Fuse Box - Opinions About Wiring Diagram • 2000 2002 daewoo nubira oem fuse box cover pn 96585125 ebay rh ebay com 2001 Daewoo Nubira CDX 2001 Daewoo Nubira SE
Securely Verified